1
/
of
1
APE Race Parts
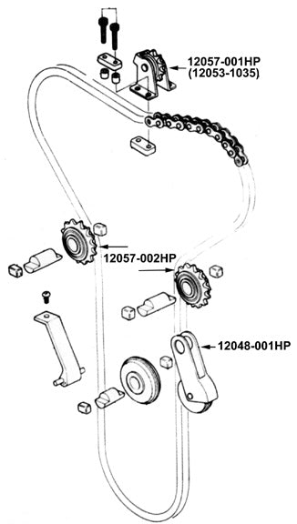
APE KZ HIGH PERFORMANCE REPLACEMENTS FOR CAM CHAIN IDLER PARTS
APE KZ HIGH PERFORMANCE REPLACEMENTS FOR CAM CHAIN IDLER PARTS
Regular price
$118.80
Regular price
Sale price
$118.80
Unit price
/
per
Shipping calculated at checkout.
Couldn't load pickup availability
|
![]() |
|
![]() |
TOP IDLER SPACER BLOCKS Replaces expensive OEM rubber dampeners. Buy them once...never have to buy them again. Rigid for more accurate cam timing. Won't rot away. (Replaces OEM part#92075-120 and 92075-119) Part#Z1BL1000 $76.98
|
Share








